摘 要
碳酸二甲酯(DMC)是一种对环境友好的绿色化学品,其洁净合成工艺的研究及开发,已引起国内外学者的广泛关注。以CuCl催化剂甲醇液相氧化羰化法合成DMC已实现工业化。由于反应生成了副产物HCl,造成Cl-的流失,不仅造成催化剂失活,同时对反应设备腐蚀严重,污染环境。
论文中制备了CuCl和Schiff碱助剂络合均相催化剂,并采用IR对其进行了表征。考察了不同Schiff碱助剂(助剂:CuCl=1:1)对CuCl催化甲醇液相氧化羰化合成DMC催化性能的影响。结果表明:N-甲基咪唑与CuCl络合制备的催化剂催化活性最高。在120℃,反应压力2.4MPa,反应时间4h条件下,甲醇的转化率达到5.8%,DMC的选择性达到99.9%。对于双配体络合CuCl催化体系,能进一步提高催化活性。在120℃,反应压力2.4MPa,反应时间4h,聚乙烯吡咯烷酮:N-甲基咪唑:CuCl=2:1:1 (摩尔比),甲醇的转化率达到6.6%。结果同时表明,催化体系的Cl-的流失量降低,催化剂的寿命得到了提高。
关键词:氧化羰化甲醇;碳酸二甲酯;铜络合物催化剂

ABSTRACT
Diethyl carbonate (DMC) is an environmentally benign intermediation. It was paid widely attention that the research and development of a green process of synthesis of DMC. Although the process of producing DMC by oxidative carbonization of methanol in the presence of CuCl catalyst system has been industrial, some drawbacks, for instance the production of the by-production HCl , in which not only caused to a leaking of Cl- subsequence by the deactivate of the catalyst, but also a corrosion to the reactor, still need to be overcome.
In this work, a complex catalyst was prepared from CuCl and Schiff base additives and characterized by IR. The effects of different Schiff base additives were investigated. The results showed that high activity was exhibited in the presence of complex catalyst synthesized by N-methylimidazole and CuCl,the methanol conversion was 5. 8%, DMC selectivity reached to 99.9 % at 120 ℃, pressure 2.4 MPa, the reaction time 4 h. At the same condition, catalytic activity was further improved by two-ligands complex CuCl system, methanol conversion is 6.56% (PVP: N-methylimidazole: CuCl = 2:1:1).The result also showed that life of the CuCl/Schiff base additive catalysts was prolonged.
Keywords:oxidative carbonization of methanol;DMC;Cuprous chloride complex catalys
目 录
摘 要……………………………………………………………………………Ⅰ
ABSTRACT………………………………………………………………………Ⅱ
第1章 绪论 …………………………………………………………………………………1
1.1研究背景和意义……………………………………………………………………1
1.2 国内外研究现状………………………………………………………………………2
1.3研究内容与方法………………………………………………………………………×
第2章 ×××××…………………………………………………………………………×
2.1 ×××××…………………………………………………………………………×
2.2×××××……………………………………………………………………………×
2.3×××××……………………………………………………………………………×
第3章 ×××××……………………………………………………………………………×
3.1×××××……………………………………………………………………………×
3.2×××××……………………………………………………………………………×
3.3×××××……………………………………………………………………………×
3.4 ×××××……………………………………………………………………………×
第4章 ×××××……………………………………………………………………………×
4.1×××××…………………………………………………………………………×
4.2×××××……………………………………………………………………………×
4.3 ×××××……………………………………………………………………………×
4.4×××××……………………………………………………………………………×
总结 ……………………………………………………………………………×
参考文献…………………………………………………………………………×
致 谢………………………………………………………………………………×
第1章 绪 论
这一章内容主要包括:毕业设计(论文)选题的背景、目的、意义;国内外研究现状(主要进行文献综述);应解决的主要问题及应达到的技术要求;本设计(论文)的基本写作方法和主要工作内容(或者研究思路)等。
……
……
1.1 研究意义
1.1.1 物理性质
碳酸二甲酯(Dimethyl Carbonate)简称DMC,分子量为90.08,相对密度1.070,折射率1.3697,熔点4℃,沸点90.1℃。在常温下为无色液体,具有可燃性,爆炸极限为3.8%-21.3%,微溶于水,可与醇、醚、酮等几乎所有的有机溶剂混溶。1992年被欧洲列为无毒产品,是一种符合现代“清洁工艺”要求的环保型化工原料[1,2]。
DMC是优良溶剂,主要特点表现为熔点、沸点范围宽表面张力大、粘度低、介电常数小,与其它物质的相溶性好等[9]。
1.1.2化学性质
由于DMC分子中含有CH3-、CH3O-、CH3O-CO-、-CO-等多种官能团,因而具有良好的反应活性,当DMC的甲基碳原子受到亲核试剂攻击时,烷基-氧键断裂,导致甲基化产物生成,可代替硫酸二甲酯和氯甲烷作为甲基化剂。还可以进行甲酯化及酯交换等反应[3,4]。
1.1.3碳酸二甲酯的应用
(1)代替硫酸二甲酯(DMS)作甲基化剂
硫酸二甲酯(DMS)是一种用途广泛的甲基化剂,但由于有剧毒,空气中含1%的DMS气体时,人体就有致命危险。世界上一些发达家已开始对该产品进行限制使用并逐步淘汰。若用DMC取代DMS安全无毒,且甲基百分数较DMS高,唯一缺点是DMC价格偏高。
(2)低毒溶剂
DMC具有优良的溶解性能,其熔、沸点范围窄,表面张力大,低粘度,介质介电常数小,同时具有较高的蒸发温度和较快的蒸发速度,因此可以作为低毒溶剂用于涂料工业和医药行业。从表1.1可以看出,DMC不仅毒性小,还具有闪点高、蒸汽压低和空气中爆炸下限等特点,因此是集清洁性和安全性于一身的绿色溶剂。
表1.1 溶剂的性能比较表
性能
|
DMC
|
丙酮
|
异丁醇
|
三氯乙烷
|
甲苯
|
| |
|
|
|
|
|
| |
|
|
|
|
|
| |
|
|
|
|
|
| |
|
|
|
|
|
1.2 国内外研究现状
从1918年开始近一个世纪,人们一直没有停止该领域的研究。经过不懈努力,已经有三类方法成功地实现了工业化生产:光气法、酯交换法和甲醇液相氧化羰化法。
目前,西欧、日本、美国是世界上主要的碳酸二甲酯生产国家和地区总生产能力达16.5万吨。国外DMC主要生产厂家及生产能力见表1.2。
表1.2 国外DMC主要生产厂家及生产能力
我国目前碳酸二甲酯生产企业有近二十家,除一些光气法装置外,新建了几套酯交换法装置,甲醇液相氧化羰化法业已工业化。短短的2年左右时间,中国一跃成为DMC的生产大国[5,6]。国内DMC主要生产厂家及规模见表1.3。
表1.3国内DMC生产厂家及生产能力
1.2.1 甲醇液相氧化羰化合成碳酸二甲酯的热力学计算
关于甲醇氧化羰化合成碳酸二甲酯的热力学数据报道很少,朱治良等人对液相法的热力学数据进行了计算。在此,我们对甲醇气相氧化羰化合成DMC的反应进行了热力学分析。它可为催化剂的筛选提供依据。反应过程中主副反应式为:
公式(1.1)
公式(1.2)
公式(1.3)
1.2.2 热力学数据计算
表1.4各物质的基础热力学数据
其中碳酸二甲酯数据由Benson基团贡献法[7]。求得,其余物质由文献[8]查得。
根据反应物和产物的基础热力学数据,计算主反应在298K下的△rH、△rGθ、Kp,△rGθ=–RTlnKp,logKp=–△rGθ/2.303RT(T=298K).
表1.5 反应的热力学数据
| |
△rHmθ,kJ/mol
|
△rGmθ,kJ/mol
|
Kp
|
| |
|
|
|
1.2.3 分析
(1)经理论计算,甲醇气相氧化羰化合成碳酸二甲酯反应的△rHθm=347.78kJ/mol。说明此反应是强放热反应。
(2)计算结果表明,298K时该反应的△rHθm=-282.76 kJ/mol,Kp=1049.56,423 K时的Kp=1044.55。
……
1.2.4 催化反应机理
关于氧化羰化法制备DMC的反应机理的研究,主要集中在液相法以一价铜盐为主的催化体系中。
……
……
……
反应同时还有可能生成醋酸甲酯、二甲醚、一氯甲烷和CO2等副产品。Romano等人[9]对CuCl为催化剂时甲醇液相氧化羰化反应进行了研究,他们推荐的反应机理如图1所示。

图1.1 Romano推荐的反应机理
1.3 研究内容与方法
碳酸二甲酯不仅毒性小,和醋酸相当,而且工业应用极为广泛,是一种绿色化工产品被称之为有机合成的“新基石”,因此,在世纪中,碳酸二甲酯将具有广阔应用前景。研究主要集中在以下的方面:向以Cu(I)为催化活性中心的液相反应体系中添加具有可与之配位的助剂,提高催化剂的活性、选择性并减少对设备的腐蚀性。
第2章 实验部分
2.1.1实验药品
实验使用的主要试剂如表2.1。
表2.1主要实验试剂
2.1.2实验仪器与设备
主要实验仪器与设备如表2.2。
表2.2 主要实验仪器与设备
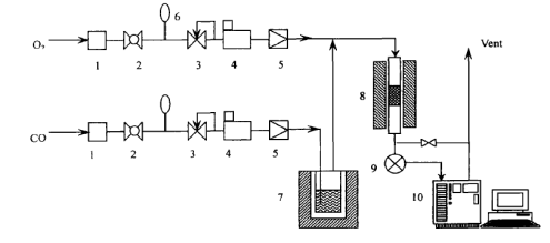
2.1.3催化反应实验流程图
1-Dryer 2-Ball valve
3-Pressure controller 4-Mass flow controller
5-Check valve 6-press meter
7-Vaporizer 8-Fixed bed reactor
9-Auto sampler valve 10-GC
图2-1 催化反应实验流程图
2.2.1试剂的前处理
CuCl的提纯
CuCl性质不稳定,储存过程中会发生一些变化。
2.2.2催化剂制备
(1)单配体催化剂的制备
将以下配体分别与CuCl摩尔比为1:1进行充分络合后于60℃在旋转蒸发仪中蒸发干后,充分碾磨后装袋待用。
表2.3各种配体的与CuCl的用量
(2 )双配体催化剂的制备
1,10-菲啰啉与N-甲基咪唑双配体催化体系
按如表2-2所示称量,1,10菲啰啉N-甲基咪唑CuCl的比例如下表2.4。
表2.4 1,10-菲啰啉与N-甲基咪唑及CuCl的比例
2.2.3催化剂的活性评价氧化羰化活性测试
停止反应后,取出釜液。釜液用布氏漏斗真空抽滤后用气相色谱仪对液相进行定量分析。采用面积归一法对碳酸二甲酯的含量进行定量分析。
第3章 ……
……
3.1……
……作为……工作的起点,对……具有重要影响。……
3.1.1 ……
……
[案例1] 某公司……
现将三种方案比较如下:
表3.1 方案比较表
项目
|
A方案
|
B方案
|
C方案
|
……
|
……
|
……
|
……
|
……
|
……
|
……
|
……
|
……
|
……
|
……
|
……
|
……
|
……
|
……
|
……
|
……
|
……
|
……
|
……
|
……
|
……
|
……
|
……
|
……
|
……
|
……
|
……
|
分析以上资料可以发现,……。但应注意,……。
3.1.2……
……
3.1.3 ……
……
3.2 ……
……的主要目的……
3.2.1 ……
(1)……
(2)……
第4章 结果与讨论
从红外光谱图中我们可以发现聚乙烯吡咯烷酮与CuCl络合物的羰基发生了偏移,从1659.94 减小到1655.06。
图4.1 红外光谱图
4.2.1不同铜系化合物的催化活性
在甲醇液相氧化羰化合成DMC的反应中三种类型催化剂,实验结果见表3.1。
表4.1铜系化合物反应活性的比较
从表中我们可以看出,CuCl催化甲醇氧化羰化合成DMC的转化率最高,催化剂对产物DMC的选择性>99%。
4.2.2不同配体对CuCl络合的催化评价
众本论文首先考察了不同的配体与CuCl(摩尔比1:1)配合对甲醇液相氧化羰化合成碳酸二甲酯的影响。实验结果见表3.2。
表4.2不同的配体对CuCl络合的催化活性评价
咪唑类化合物为一种有机碱,Cu+为软酸,两者易于络合形成络合物。
(1)1,10-菲啰啉与N-甲基咪唑的摩尔比对催化效果的影响
图4.2 phen与NMI配体的配比对催化活性的影响
phen和 NMI均为常见的含氮配体,与金属离子形成配位键的能力很强,结果表明,改变phen和NMI的配比可以改变甲醇的转化率。
(2)反应机理探讨
图 4.3 CuCl/phen/NMI体系催化机理图
本论文只对甲醇氧化羰化合成碳酸二甲酯的催化体系CuCl/phenNMI进行初步的机理探讨。可能的机理见图5。
根据以上提出的机理,我们可以推出,当两种Schiff碱的配比为1:1时,实验结果应当为最佳,这与实验结果一致。
4.2.4聚乙烯吡咯烷酮与N –甲基咪唑不同摩尔比对催化效果的影响
结果表明聚乙烯吡咯烷酮与N –甲基咪唑的摩尔比为2:1时甲醇的转化率最高达到5. 6%,催化剂对DMC的选择性>99%。
通过筛选不同的铜化合物,从催化反应活性比较,结果表明CuCl的催化活性最高,同时双配体铜络合催化剂可进一步提高甲醇合成DMC的转化率,尤其是聚乙烯吡咯烷酮和N-甲基咪唑络合催化剂效果最明显。
第5章 结论与建议
碳酸二甲酯不仅毒性小,而且工业应用极为广泛,是一种绿色化工产品。本文主要考察了不同Schiff碱助剂对(助剂:CuCl=1:1)对CuCl催化甲醇液相氧化羰化合成DMC催化性能的影响我们可以得到以下结论:
(1)在实验中通过对助剂的考察,结果表明N-甲基咪唑与CuCl络合制备的催化剂催化活性最高。
(2) <![endif]>对于双配体络合CuCl催化体系,能进一步提高催化活性。
<![endif]>
(3) <![endif]>最佳的工艺条件是:温度A℃,反应压力为BMPa,反应时间Nh。
<![endif]>
通过Schiff碱助剂络合CuCl可以很好的减缓对设备的腐蚀和提高了催化剂对生成DMC的选择性。
(1)由于我们运用的反应体系是间歇反应器,因此我们在反应中的O2的含量不能太高,否则会发生爆炸,后续继续补充气体,不易得到实际的O2的用量。因此建议运用连续反应釜。
(3)开发无氯的催化剂。
结束语
……
……
……
企业被推向了由……随着……的发展和……,……在……中日益重要,对于实现其……目标具有重要的现实意义。由于本人水平有限,论文失当之处,在所难免。不足之处及疏漏之处恳请各位读者批评指正!

参考文献
[1]王健.建筑物防火系统可靠性研究. [硕士学位论文],天津大学,1997.
[2] 李以圭,刘金晨.分子模拟与化学工程[J].现代化工,2001(07):10-15.
[3] 林鸿波,吴玉龙,杨明德,等.丙烯氧化反应组分在TS-1中吸附行为的分子模拟[J].石油学报:石油加工,2007,23(6)24-30.
[4] 李明. 物理学[M]. 北京: 科学出版社,1997,58~62.
[5] 中华人民共和国国家技术监督局. GB3100-3102. 中华人民共和国国家标准. 北京:中国标准出版社,1994-11-01.
1. <![endif]>只选取最必要、最新和作者亲自阅读过且本文直接引用的文献;
<![endif]>
2. <![endif]>只取国内(外)公开发行的期刊和论著上发表过的文献;
<![endif]>
参考文献的著录格式应按各类科技文献所特有的著录格式进行著录,分别为:
(1)期刊格式
[序号]主要负责者.篇名[J].刊名,年,卷(期):引用部分起止页码.
(2)专著格式
[序号]主要负责者.书名[M].版本(第1版不标注).译者(对译著而言).出版地:出版者,出版年.引用部分起止页码.
(3)专著、论文集析出文献
[序号]析出文献主要负责者.析出文献题名[A].原文献主要负责者名.原文献题名[C].出版地:出版者,出版年.析出文献起止页码.
(4)报纸文章
[序号]主要负责者.篇名[N].报纸名,出版年月日(版次).
(5)学位论文
[序号]作者. 论文题目. 博士(或硕士学位论文),授予单位,授予年.
(6)专利
[序号]申请者. 专利名. 国名. 专利文献种类,专利号,授权日期.
(7)技术标准
[序号]发布单位. 技术标准代号. 技术标准名称. 出版地:出版者,出版日期
3.参考文献内容用宋体,小四号,顶格排。并用阿拉伯数字顺序编号。

致 谢
在论文的写作过程中,我得到了导师××老师的悉心指导。本文从选题、构思、行文到修改订稿甚至标点符号,都凝结了××老师的汗水。论文的写作方法和技巧方面也得到了××老师的诸多宝贵意见。他严谨的学术态度,认真负责的敬业精神和平易近人的处世风格使我受益匪浅,其间给予我的鼓励和支持也使我更加自信。在此,本人向××老师表示真诚的感谢和由衷的敬意!
还要感谢我的室友、同学对我的指点帮助。同时,论文借鉴了不少学者的观点资料,已列入参考文献,向有关学者真诚致谢!